Сверлильно-фрезерный центр с ЧПУ Beaver SWIFT Turbo 1200-2HCA
SWIFT Turbo 2HСA - это современный, двухголовый, высокоскоростной сверлильно-фрезерный центр с ЧПУ и автоматической сменой инструмента.
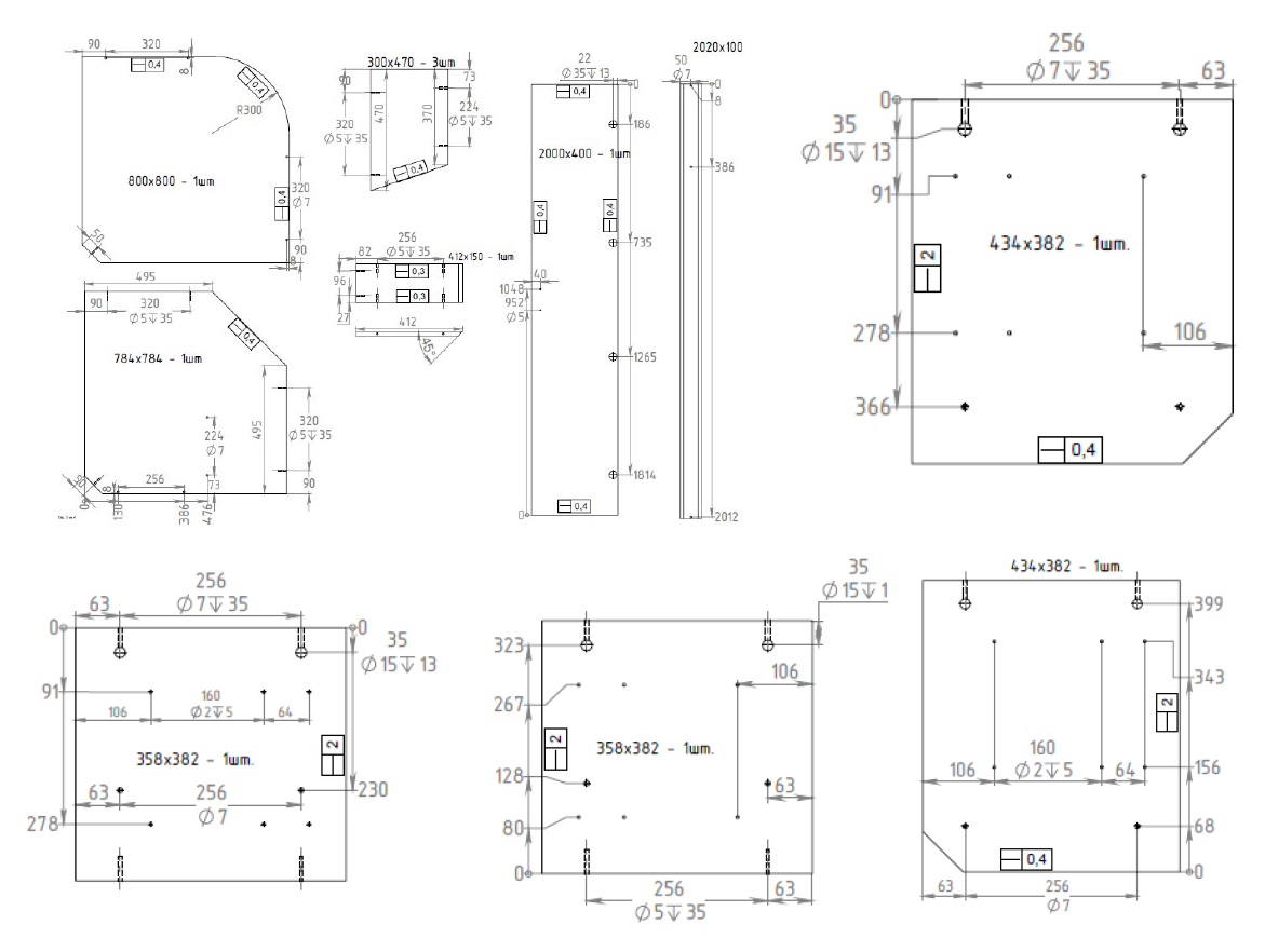
Предназначен для высокоточного сверления сквозных и глухих отверстий в торцах и плоскостях мебельных щитов с 6 сторон, а также выборки пазов при помощи пазовальной пилы.
Данное оборудование обладает расширенным функционалом по фрезерной обработке с помощью двух фрезерных агрегатов, а также автоматической сменой инструмента на верхнем фрезерном агрегате и инструментальным магазином на 4 ячейки.
Центр обеспечивает сверление всех карт присадки за одну установку детали, а также поддерживает одновременную обработку 2-х деталей.
Применяются на мебельных и деревообрабатывающих производствах, где необходима повышенная гибкость и производительность.
Эти станки полностью автоматизированы и поэтому не требуют перенастройки на каждую деталь, достаточно выбрать необходимую программу и установить заготовку.
В программной памяти станка создается библиотека различных карт присадок деталей изготавливаемых на предприятии изделий для серийных обработок или импортируются карты присадок для изделий, детали которых требуют индивидуальных обработок, при этом станок не снижет свою производительность и также может работать в поточном режиме без перенастроек.
ОБЛАСТЬ ПРИМЕНЕНИЯ:
Применяются на мебельных и деревообрабатывающих производствах, где необходима повышенная гибкость и производительность.
Эти станки полностью автоматизированы и поэтому не требуют перенастройки на каждую деталь, достаточно выбрать необходимую программу и установить заготовку.
В программной памяти станка создается библиотека различных карт присадок деталей изготавливаемых на предприятии изделий для серийных обработок или импортируются карты присадок для изделий, детали которых требуют индивидуальных обработок, при этом станок не снижет свою производительность и также может работать в поточном режиме без перенастроек.
Способы получения товара в г.
Сверлильно-фрезерный центр с ЧПУ Beaver SWIFT Turbo 1200-2HCA с доставкой в г. подробные условия и стоимость
- Код товара: 107204
Сверлильно-присадочный центр с ЧПУ Beaver SWIFT Turbo 1200-2HС
На складе: 2 шт. - Код товара: 107217
Сверлильно-фрезерный центр с ЧПУ Beaver SWIFT Turbo 1200-2HCA
На складе: 2 шт. - Код товара: 107302
Сверлильно-присадочный центр с ЧПУ Nanxing NСB612
На складе: 2 шт. - Код товара: 107324
Сверлильно-присадочный центр с ЧПУ Nanxing NCB2412S БУ
На складе: 2 шт.
Отзывы к "Сверлильно-фрезерный центр с ЧПУ Beaver SWIFT Turbo 1200-2HCA":
Пока нет комментариев